Найдено результатов: 100
Timvisio

Набор электрика для visio.

Панель TimVisio

Визуализация электрощита на 12 модулей в программе Visio с помощью фигур TimVisio.

Перечень элементов TimVisio.

Однолинейная схема TimVisio

Маркировка щита TimVisio.

Маркировка щита TimVisio.

Линейка TimVisio

Электрическая принципиальная схема TimVisio. Ранний доступ.

Жгут TimVisio.

Выноски TimVisio.

Наклейка TimVisio. Обновление 1.0.6.

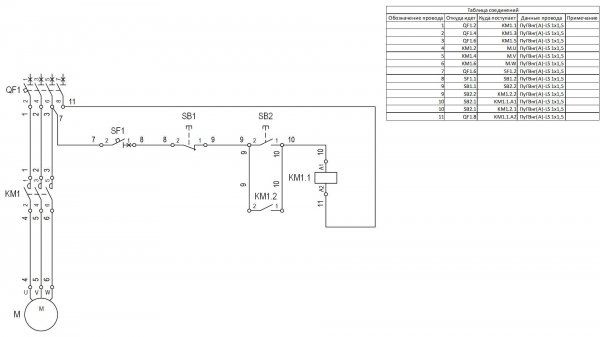
Обновление 1.0.3. Таблица соединений TimVisio.

Цвет страницы TimVisio

Количество выделенных фигур TimVisio

Добавить фигуру TimVisio

Шина TimVisio

Шина N TimVisio

Количество фигур TimVisio.

Наклейка TimVisio.

Подключение проводов TimVisio

Размер и масштаб TimVisio

Количество линий TimVisio. Обновление 1.0.1.

Однолинейная схема TimVisio. Обновление 1.0.5.