Найдено результатов: 100
Users V8

Регистрация на сайте users.v8.1c.ru, для обновления 1с

Регистрация на сайте users.v8.1c.ru, для обновления 1с

WinCC v8.0 Step By Step 23 Create Users And Groups In User Administrator #winccguru

МАТИЗ НА V8. Жесткий трип

US-1680

أروع أغنيه باكستانيه

Один усилитель для всей системы (фронт+тыл+саб)!8 каналов одновременно!DL Audio Phoenix Sport 8.150

Выход 8

Что такое User Guide и User Manual, нужно ли пользователю и можно ли удалить User Guide с компьютера

VehiCross на V8 Финал

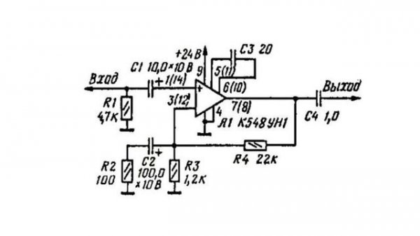
Предварительный усилитель на ИМС К548УН1А

MPLAB IDE v8 92 C Users ISMAEL SILVA Documents partes TAREA 5 1619606 asm 2020 11 30 21 36 21

Уса 8,6 ф 272

The Exit 8 \ Выход номер 8 \ странности в подземке

Самый странный V8

EXIT 8 | ВЫХОД 8 | СМОТРЕТЬ БЕСПЛАТНО

Победа V8 рвёт грунтовую дорогу!

ВОЛГА_V8_И_БУМЕРАНГ

Догонялка КГБ: обзор ГАЗ 24 V8 1976 год

Dyson V8 Absolute: РАСПАКОВКА, ТЕСТ, МНЕНИЕ✅

Самодельный V8 из ДВУХ жиговских моторов - ПЕРВЫЙ ЗАПУСК!

ВОЛГА_С_МОТОРОМ_V8__5

Ремонт двигателя Mercedes V8. Афганистан

Соболь автодом 4х4 V8 готов!