Найдено результатов: 100
Uart To Rs485

Обзор конвертера интерфейсов USB to rs232/rs485/ttl UART

Что такое интерфейс RS485? Интерфейс RS485 и оборудование Bolid

USR-DR404 Din Rail RS485 to WiFi Converters

UART (TTL) to RS485 Converter | PCB From PCBWAY.COM

Интерфейс RS485.

USR-W610 1-port RS485 to WiFi Converters / RS232 to WiFi Converters

Лекция 18: RS485

How to Interface RS485 Module with STM32

Разбираем прибор Магазин сопротивлений Р4833. Смотрим, что в нем ценного

Насторойка С2000-Ethernet для RS485

RS485 и микроконтроллер

Конвертор HW-519 для UART-TTL-RS485

USB to RS485 PC Adapter Installation

485TTL-C299S1 | MAX485 TTL to RS485 RS-485 Module Converter

Dtech RS232 to RS485 Converter

Преобразователь USB - RS232 - UART - RS485. Бюджетно и компактно.

fart to girl~..#fart

Tutorial - How to config Daly MGod BMS via Daly PC software BmsMonitor UART/RS485 USB (Windows/Mac

Магазин сопротивления Р4831. Схема, описание, подключение, принцип работы

RS232 to RS485 Interface Converter

Преобразователь интерфейса USB-RS485_CAN (модель VR-002)

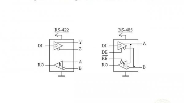
Интерфейс RS-485

Новый Audi RS 5 2026 года — звук, интерьер и экстерьер.

Лекция 256. Интерфейс RS-485