Город МОСКОВСКИЙ
Найдено результатов: 100
Rutube_Account_13563604 Виктор Гончаров Ua9Uki

13 июня

Назас

Передатчик_ламповый 3_мгц

Соревнования на реке Казырь

Дополнения к старым фильмам

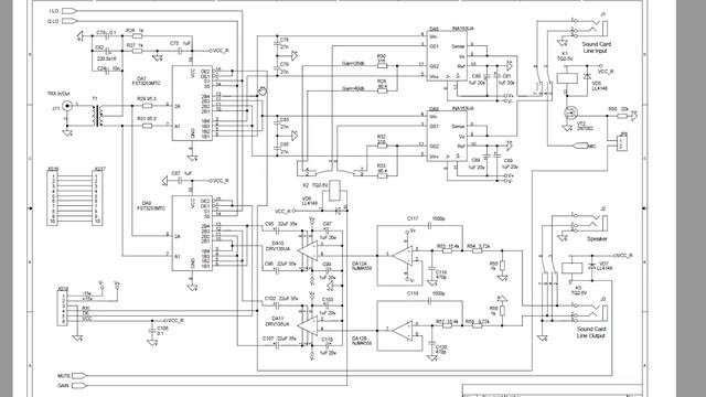
SDR 1000 своими руками

моё хобби

Спорт зона.

Конец сентября

ЛАТР его устройство и модернизация

Гончарова

Г И Р и работа с ним Вторая часть

Спортивная пара Чикмарева и Янченков выиграли заключительный этап Гран-при РФ

"Ценности образования" Профессор МПГУ М.Гончаров на канале Россия-К "Картина мира с М.Ковальчуком"

Что такое ток и что такое напряжение

Победа Чикмаревой и Янченкова / Галлямов - дед мороз? / Образы Мухортовой / Гран-при России в Омске

Глюкометр OneTouch

Спорт зона..

SSB и CW в приёмнике ИШИМ

День города в Междуреченске

Рюкзак трансформер

Прибор Ц435

Эпизоды дачной жизни

Универсальный фото штатив