Найдено результатов: 100
Msc1210Y5

13-01-2026

122 МСП_из_201 МСД

мск лайв 6

Как исправить ошибку MSVCP140.DLL в Windows 10

DSCN1215

Скачиваем msvcr120.dll и устраняем ошибки

11101102606865

MSG MS121 – Тестер для электромагнитных клапанов и муфт компрессоров автокондиционера

MS110 前期クラウンターボ登場!

MSC Seaview - обзор кают

29.07.2018 МСК 12:00 Устройство и эксплуатации автотранспортных средств.

МС - 12 02

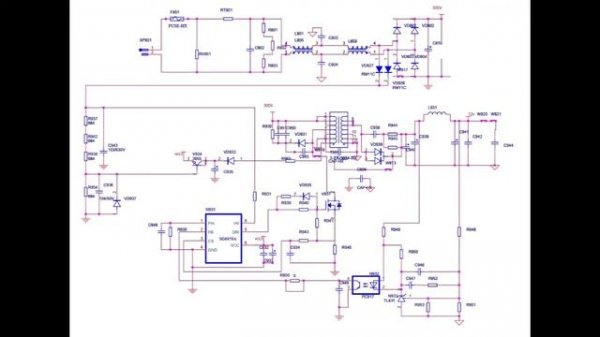
SCHEMATIC ✅ MS-16R1 MS-16R11 DIAGRAMA ESQUEMATICO

MSR1213 12 13 01 F Purple tiger tail w silver strobe mines

Preview 1280 Drums1231 V2 (Capcut Version)

Экскаватор-погрузчик JCB 4CX Super грузит самосвал КАМАЗ - аренда в Калининграде

Обзор интерфейса магнитолы Mediabass M4K

Старая версия MSC vs Новая версия MSC (1 часть)

AS MST6M181VS S1

msvcr120.dll

🚀🚀🚀Невероятное везение 🚀🚀 ✊😎 Открываем 11 контейнеров с мс11 и 11 контейнеров мини мистических

M123

JVC Everio repair GZ MS120BU

капот из канистры на снегоуборщик Парма мсб-01-761эф
Что ищут еще по теме: