Найдено результатов: 99
Fluidsim

Уроки FluidSIM. Урок 5. Базовая логика в FluidSIM.

FluidSIM Урок №2-Рассмотрение гидромоторов и построение гидравлической схемы #FluidSIMHydrolic

FluidSIM Урок №1 -Простое построение гидравлической схемы и работа гидродвигателя #FluidSIMHydroli

Моделирование пневмопривода. Уроки FluidSIM. Урок 4.Основы составления схем.

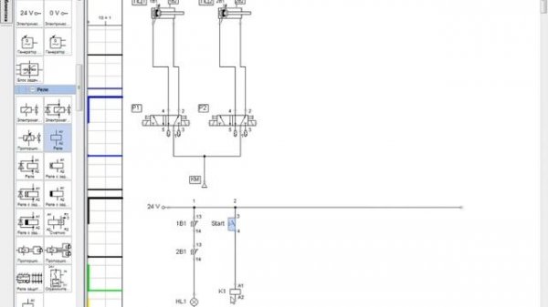
Составление пневматической и электронной схемы в программе Fluidsim.mp4

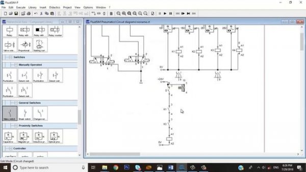
Пропорциональные клапаны (FluidSIM).

Разработка схемы управления в программе FluidSim

Мастер-класс по программе FluidSIM

Festo fluidsim simple

Pneumatics: Basics | FESTO FluidSIM Part 1

Аналоговые датчики в пропорциональной гидравлике (FluidSIM).

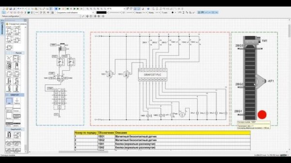
Графическое программирование в программе FluidSim 5

Festo Fluidsim Part2

Типовые примеры схем пневмопривода в FluidSim. Ч.1

Tutorial Festo Fluidsim - step by step program Ladder plc Festo A+ A- B+ B-

Сортировочная линия в Factory IO и FluidSIM, с подключением через виртуальный сервер.

Что такое флюиды?!

HOW TO MAKE A SOURCE LINE IN FLUIDSIM-P FOR PNEUMATIC CIRCUITS

Флюиды...

Моделирование пневмопривода. Уроки FluidSIM. Урок 3.Настройки элементов.

CODESYS: connection with FluidSim through OPC DA Server - FluidPyPLC example and SETUP

Full tutorial about EKTS and Festo FluidSim simulation

FluidSIM 6 - Licensing management basics

FESTO FluidSIM | Pure Pneumatic Simulate Double Acting Cylinder with Pressure Sequence Valve