Найдено результатов: 99
Clue Masters

Cloud.ru

CLO 3D Часть 2 - Импорт шаблонов и лекал. Трансформация

Знакомство с программой CLO3D

Создание лекал и визуализации только в CLO 3D без САПР
![[3 Min] A Cultist Owns a Quarry & a Slave Operation in Attika Clue Location - Master, Eyes of Kosmo](https://pic.rtbcdn.ru/video/8f/94/8f94af4845dcadbe0541ee287028b484.jpg?width=640)
[3 Min] A Cultist Owns a Quarry & a Slave Operation in Attika Clue Location - Master, Eyes of Kosmo

Визуализация складок в CLO3D

cls?

cls

Metallica - Master of Puppets - на гитаре с табами

CLO 3D Часть 1 - Импорт шаблонов в CLO 3D, элемент - сшивание

Быстрый старт в CLO3D: интерфейс и основные функции

C++ masters threads-1

MIR4 - All for Naught - A Poisonous Flower Clue (1-10 Clue ) Mystery Scroll

mir4/Incomparable Master Lightning King Cheon Seoyeol Guide/ Mystery Quest/ Clue 6 and Clue 7

Clo3d за 30 минут

telegram-cloud-document-2-5219772195479263853

MIR4: Incomparable Master Mystery: Celestial Lord Kang Shirim | Clue 1-5 | Complete

Samsung clp-325/clp-310/clp-365/clp-360. Черные полосы. Замена фотобарабана.Заправка.Инструкция.

69

Room Master,Herodom,Siper 3D,Clue Hunter,Angry Birds 2,Johnny Trigger Sniper,Ready Set Goat,Scribbl

Улика | Clue (1985)

Design like Gucci | CLO3D Beginner Tutorial | Men's FW 2023 | Episode 4

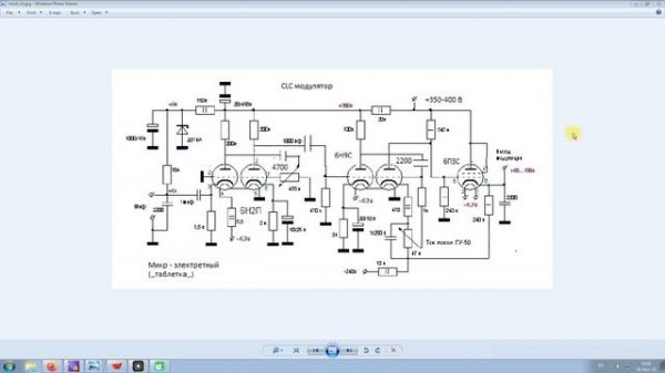
CLC модуляция, знакомство

Вебинар "Знакомство с программой CLO3D"
Что ищут еще по теме: