Найдено результатов: 99
Fluidsim

Connect Codesys & FluidSim via ezOpc

Hydraulics(A+B+A-B-) in Festo FluidSIM-H by Dr Vivek Yakkundi

Simulation Video : Electro-Hydraulic System in a Mobile Crane (FluidSim-H)

Моделирование пневмопривода. Уроки FluidSIM. Урок 3.Настройки элементов.

Моделирование пневмопривода. Уроки FluidSIM. Урок 2.Обзор аппаратуры.

Festo FluidSIM® V6 Activating and managing licenses with the license manager

ЗАХВАТ ТЮРЬМЫ КРАЙМОМ ПОШЁЛ НЕ ПО ПЛАНУ - ГЛАЗАМИ ЛИДЕРА ФСБ в ГТА 5 РП | (RMRP Патрики)

FluidSIM #1 - Installation af FluidSIM

Д5_Урок 1 (Карантин продолжается) Обзор FluidSIM на примере работы 2 цилиндров

Связь FluidSIM с Tia portal. How to connect FluidSim and Tia portal (PLCSIM)?

Типовые примеры схем пневмопривода в FluidSim. Ч.2. Управление по положению, давлению и времени.

Флюиды...
![[FluidSIM] Mechatronics - Electro Pneumatic Circuit of A+B+A-B-[ Explained]](https://pic.rtbcdn.ru/video/4e/9a/4e9aa13e319c46748a6f049b30e13363.jpg?width=640)
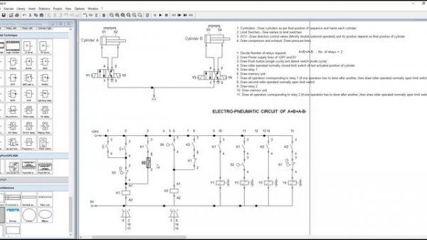
[FluidSIM] Mechatronics - Electro Pneumatic Circuit of A+B+A-B-[ Explained]

OPC Link - TIA Portal and FLUIDSIM

Большое обновление 3D моделей на сайте fluid-line.ru

FluidSim and Excel Design and Simulation for the Sequence: B+C+B-A+B+C-B-A-

Herramientas de fluidSim Erika García

Я СТАЛ САМЫМ СИЛЬНЫМ ЧЕЛОВЕКОМ В ГТА 5 ! - ФЛЕЙЗИН СТАЛ КАЧКОМ НА 24 ЧАСА

Fliqpy

ПРОВЕРКА ПОЛИЦИИ под ПРИКРЫТИЕМ на ЛИДЕРКЕ ФСБ в ГТА 5 РП | (RMRP Патрики)

24 ЧАСА ОХРАНЯЮ ПРЕЗИДЕНТА на ЛИДЕРКЕ ФСБ в ГТА 5 РП | (RMRP Патрики)

24 ЧАСА В VR ГТА 5 ЧЕЛЛЕНДЖ ! 16 ЧАСТЬ ! - ФЛЕЙЗИН VR

Я ПРОЖИЛ 100 ДНЕЙ С БРЕЙНРОТАМИ ! - СБОРНИК СЕРИЙ ФЛЕЙЗИНА

3ds Max Fluids (Bifrost) - The Pendulum - (Fluid Simulation)