Город МОСКОВСКИЙ
00:20:16
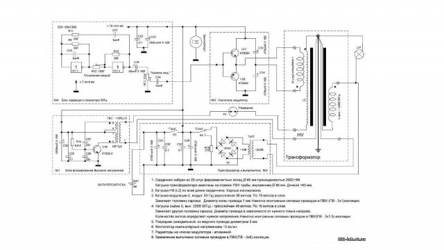
БТГ - Генератор КОЛПИТЦА или ёмкостная трехточка
Описание
Коллекция видео.
Для познания об Альтернативной энергетике.
Рекомендуемые видео

Васмус - биения частот
218 просмотров

БТГ. Генератор на кварцевом РЕЗОНАТОРЕ Результат поражает
204 просмотров

БТГ - ШОК Установка СЭ до 40 Вт МОЩНОСТИ Зелёная энергия
795 просмотров

Рабочий БТГ на двух трансформаторах Тесла 230 КГц.
717 просмотров

Электрический конвектор 2000 Вт Gigant GCEX-2 MT
7 747 просмотров

БТГ- Генератор КОЛПИТЦА . Съём СЭ
575 просмотров

БТГ Капанадзе от SR. + схема
1 577 просмотров

БТГ Съём СЭ Карманная ЭЛЕКТРОСТАНЦИЯ на частоте 120МГц
263 просмотров

БТГ - ШОК 10 Вт из ЭФИРА
227 просмотров

Система получения электроэнергии из окружающего пространства в неограниченном количестве.
346 просмотров

БТГ - ШОК СЭ на 4 МГц 10 -15Вт СТАБИЛЬНОЙ работы
125 просмотров

БТГ. Рабочая схема от В. Белоусова, увеличение мощности от 10 раз
715 просмотров

Вечный двигатель из двух моторчиков. ГЕНЕРАТОР БЕСПЛАТНОЙ ЭНЕРГИИ
12 670 просмотров

БТГ генератор или
297 просмотров

3 СХЕМЫ РЕГУЛЯТОРОВ МОЩНОСТИ
72 просмотров

Ставка на любовь, 1 сезон, 9 выпуск
436 595 просмотров

МАМА В 16 | 4 СЕЗОН, 2 ВЫПУСК | АНАСТАСИЯ, УФА
845 147 просмотров

Он не верил, что эту машину можно починить
269 172 просмотров

Зачем Прибалтике война? — Самые шокирующие гипотезы (30.10.2025)
61 314 просмотров

Максим Перлин о том, как заработать миллионы на рекламе
17 983 просмотров
