Найдено результатов: 97
Demonology Script

windows script host

Freecharge Clone Script - PHP READYMADE SCRIPT

ВажНое Видео!

Клинок, рассекающий демонов: Бесконечный замок (озвучка RHS, 2025)

Аниме Истребитель демонов — 1 сезон 1 серия / Kimetsu no Yaiba

how to add your own scripts in krnl

Project Delta Script (Crumbleware)

Sunny Bunnies Iris Crying | First Effects

049 Administration Scripts

❄️ Dungeon Quest SCRIPT | Instant Complete All Dungeons Auto Farm (THE BEST SCRIPT! INSTA WIN!)

The broken script, играем в хоррор мод 1 часть 😨😱
![[utpr script] no debounce script](https://pic.rtbcdn.ru/video/8e/b3/8eb3834120ee6a1275ff0d7475ef4bec.jpg?width=640)
[utpr script] no debounce script

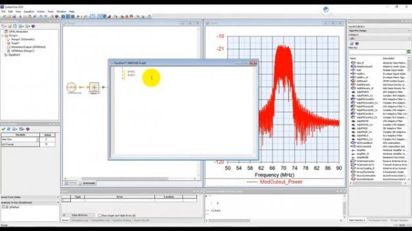
Tutorial-10: Working with Matlab scripts in SystemVue

😱100 РИТУАЛОВ Guest 666! Я ПОЛУЧИЛ НОВОГО СЕКРЕТ БРЕЙНРОТА 0.1% с АДМИН УДАЧЕЙ в Steal a Brainrot!

Php Donation Script - Fundraising Software by phpscriptsmall.com

Сыграл в демонологию на видео. #roblox #Demonology

Аниме Истребитель демонов — 1 сезон 2 серия / Kimetsu no Yaiba

Аниме Истребитель демонов — 2 сезон 1 серия / Kimetsu no Yaiba

📝How to Get Glow Colours by Editing Scripts📝||Bombsquad||Tutorial||

HOW TO DYNAMICALLY CALL AN AUTH TOKEN IN JMETER TEST SCRIPTS-PART-2!! JMETER!!Hack #5

SSEEdit + scripts

Как эти 2 ОДИНАКОВЫХ ДЕМОНА ОЦЕНИЛИ в Geometry Dash?

Аниме Истребитель демонов — 2 сезон 3 серия / Kimetsu no Yaiba

Аниме Истребитель демонов — 3 сезон 11 серия / Kimetsu no Yaiba