Найдено результатов: 100
Kitbash 3D

Приемы 3D моделирования для эффективной 3D печати

How to Get Started with 3DS Max, Redshift, and Kitbash3D

ЧТО ВНУТРИ 3D РУЧКИ?

Лайфхаки с 3D-ручкой и клеевым пистолетом 🔥 Новые идеи

МАМА КИЛЛЕР ПАПА ЗЭК: Не пей молоко в Роблоксе (2 СЕЗОН 3 СЕРИЯ)

как сделать 3D в newcatroid

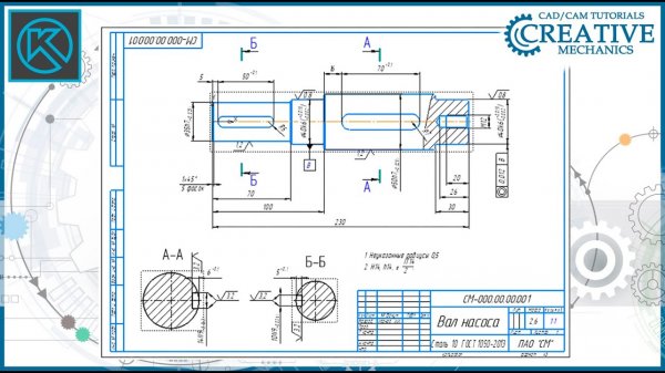
Уроки Компас 3D. Разрез и местный разрез в Компас 3D.

Обзор Bambu Lab P1S Combo эффективный и максимально удобный 3D принтер!

Как в ZBrush подготовить 3D-модель к печати: делаем меш «водонепроницаемым»!

Видео 3d виртуальная реальность

Анонс Bambu Lab P2S - что ждать от второй части легендарного 3D принтера?

Super Mario 3D World - Полное Прохождение Игры

Обзор 3D принтера bambu lab A1 mini: скорость, качество и тишина

САПР Компас-3D LT V12 УРОК 5 (3D)

Kittila Animation 3D

3D РУЧКА vs БЛИНЫ Челлендж !

как сделать модельку в prisma 3d туториал

AutoCAD civil 3d - Построение поверхности

ТРИ КОШАРЫ *УДАЛИТЕ ЭТО* ? ? НИКОГДА НЕ ВКЛЮЧАЙ ТРИ КОТА в 3:00! ТРИ КОШАРЫ НАВОДЯТ СУЕТУ!

Металлоконструкции в Компас 3D. Лестница в Компас 3D

Engine Model 3D Printing Kit - 005 - Bambu Labs | Double Check Your Print Profiles

Обзор 3D принтера bambu lab A1 mini: скорость, качество и тишина

Промышленные 3D-принтеры SHINING 3D

Поверхностное моделирование в Компас 3D. Ковш в Компас 3D