Найдено результатов: 100
Datasheet

AP3783AK6TR-G1 datasheet

NCP1200D40R2G datasheet

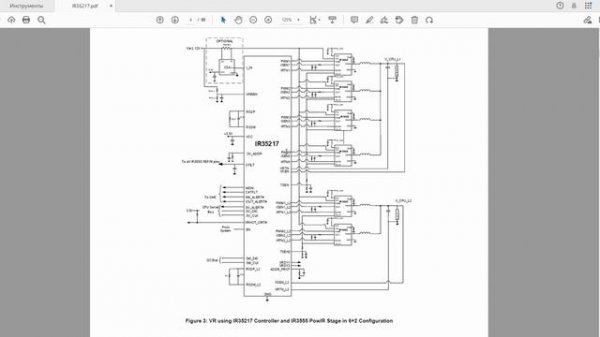
Разбор datasheet на IR35217

THX203H datasheet

354 How to Decode SMD CODE into part number & datasheet for SMD Transistor

Orks Legends Datasheet Review 10th edition Warhammer 40k

1강_LM339 Voltage Comparator IC Datasheet 분석을 통한 비교기 이해하기

Программирование железа - 5 - Как использовать datasheet

Datasheet Project - LM339 - 4312

Arduino Uno R3 Datasheet Explained

DataSheet с ЧПУ Fanuc

{481} HD50SB100 Bridge Rectifier Datasheet

Popular Videos - Datasheet vesves Electronics

SSD3273U2R4 COF Datasheet - Arshad Electronics

MT2503 Datasheet

NCP1203D60R2G datasheet

FSQ0465RSWDTU datasheet

TEA1733T datasheet

LNK626DG-TL datasheet

FSDM07652R datasheet

NCP1200P100G datasheet

LNK362PN datasheet

RT8205EGQW Datasheet RICHTEK

Cof IC Datasheet BCE10-8697