Найдено результатов: 100
Current Technological Trend

Nové technologie šetří životní prostředí

The top 5 Information Technology Trends & Prediction - 2023

танцуй если знаешь этот тренд 2026 года ⭐☀

PURELY DIGITAL. CURRENT TECHNOLOGIES FOR SUSTAINABILITY

TENET T7 — что нужно знать перед покупкой

OKTOBER 2101 - Room mix. Deep Techno, Progressive House Mix 2026

Photodetectors: Technology and Selection Criteria

The Current State of Vaccine Technology; How mRNA Changed the Game

IBMM | technology на THE TRENDS 2025

Melodic Techno Mix 2026

Current Trends & Prospects in Analytics – A Practical Perspective

Harbin Institute of Technology 哈尔滨工业大学

танцуй если знаешь этот тренд 2026 года 🌸

💥 Техно Микс 2025 💥🤘 Лучшие Ремиксы Популярных Песен 🎧 Только Техно Бэнгеры #014

30 МИН КАРДИО-HIIT-ТРЕНИРОВКА – Все тело, без оборудования, без повторений

Очищение лимфы 🌀 Адаптированная программа матрица по технологии Гаряева ☀️ SoftRadio.ru

LESSON ➢INVENTIONS AND TECHNOLOGIES

SEX КАК...

Primitive Technology Thatched Workshop

ШКОЛА ДЛЯ ПАРТНЕРОВ GREENLEAF от 13.02.26

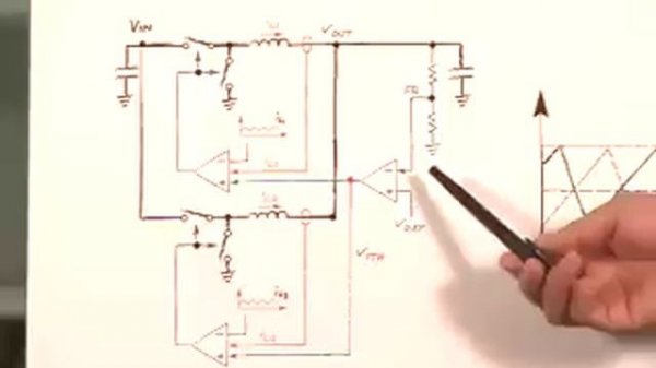
Voltage vs. Current Mode Control Current Sharing in a PolyPhase DC/DC Converter - Linear Technology

TECHNO RAVE MIX - Bigroom Techno & Electro Festival Music

Лимфатическая система ⚠️ Оригинальная матрица по технологии Гаряева П.П ☀️ SoftRadio.ru

Mortal Kombat - Techno Syndrome Mortal Kombat
Что ищут еще по теме: